ننگبو رچج ٹیکنالوجی کمپنی ، لمیٹڈ
ننگبو رچج ٹیکنالوجی کمپنی ، لمیٹڈ
مصنوعات
ZN12-12 سیریز انٹیگریٹڈ کالم سوئچ ویکیوم سرکٹ بریکر
  • ZN12-12 سیریز انٹیگریٹڈ کالم سوئچ ویکیوم سرکٹ بریکرZN12-12 سیریز انٹیگریٹڈ کالم سوئچ ویکیوم سرکٹ بریکر
  • ZN12-12 سیریز انٹیگریٹڈ کالم سوئچ ویکیوم سرکٹ بریکرZN12-12 سیریز انٹیگریٹڈ کالم سوئچ ویکیوم سرکٹ بریکر

ZN12-12 سیریز انٹیگریٹڈ کالم سوئچ ویکیوم سرکٹ بریکر

Model:ZN12-12
زیڈ این 12-12 سیریز انڈور اے سی ایچ وی ویکیوم سرکٹ بریکر تین مراحل میں اے سی 50 ہ ہرٹز کا انڈور آلات ہے ، جس میں 12KV کا درجہ بند وولٹیج ہے ، جس نے جرمن کمپنی سے یہ ٹیکنالوجی متعارف کروائی ہے۔ یہ ہر طرح کے بوجھ اور بار بار آپریشن والے علاقے کے لئے موزوں ہے ، اور صنعتی اور کان کنی ، انٹرپرائز ، پاور پلانٹ اور سب اسٹیشن بجلی کی سہولیات کے تحفظ اور کنٹرول کے لئے استعمال ہوسکتا ہے۔ یہ پروڈکٹ GB1984 ، JB3855 ، DL403 اور IEC معیارات کی متعلقہ ضرورت کے مطابق ہے۔

ZN12-12 سیریز انٹیگریٹڈ کالم سوئچ ویکیوم سرکٹ بریکر

  ZN12-12 انڈور ہائی وولٹیج ویکیوم سرکٹ بریکر ریٹیڈ وولٹیج 12KV اور مندرجہ ذیل انڈور ہائی وولٹیج سوئچ گیئر ، بنیادی طور پر فکسڈ سوئچ گیئر میں ، صنعتی اور کان کنی کے کاروباری اداروں کے لئے ، بجلی کی سہولیات کے تحفظ اور کنٹرول کے لئے بجلی کے پودوں اور سب اسٹیشنوں کے لئے ، اور اہم بوجھ کو توڑنے کے لئے موزوں ہے!

  Zn12 سیریز ویکیوم سرکٹ توڑنے والے انڈور ہائی وولٹیج سوئچ گیئر ڈیوائس ہیں جن میں 12KV ، 24KV ، اور 40.5KV ، اور تین فیز AC 50Hz کی درجہ بندی والی وولٹیج ہے۔ یہ ایک گھریلو مصنوعات ہے جو جرمن سیمنز 3 اے ایف ٹکنالوجی کو متعارف کروا کر تیار کی گئی ہے۔ سرکٹ بریکر کا آپریٹنگ میکانزم ایک موسم بہار کی توانائی کا ذخیرہ کرنے کی قسم ہے ، جسے AC یا DC ، یا دستی طور پر چلایا جاسکتا ہے۔ سرکٹ بریکر میں سادہ ساخت ، مضبوط توڑنے کی صلاحیت ، لمبی خدمت کی زندگی اور آپریشن کے مکمل کام ہیں۔ اور دھماکے کا کوئی خطرہ نہیں ہے ، اور دیکھ بھال آسان ہے۔ یہ بجلی کی ترسیل اور تقسیم کے نظام جیسے پاور پلانٹ ، سب اسٹیشنوں اور صنعتی اور کان کنی کے کاروباری اداروں کے کنٹرول یا تحفظ سوئچ کے لئے موزوں ہے ، خاص طور پر اہم بوجھ اور بار بار آپریشن کے مقامات کو توڑنے کے لئے موزوں ہے۔ سوئچ کابینہ میں سرکٹ بریکر کی تنصیب کی شکل یا تو ایک مقررہ قسم یا واپسی کے قابل سرکٹ بریکر ہوسکتی ہے۔ یہ پروڈکٹ متعلقہ معیارات جیسے GB1984 ، JB3855 اور IEC62271-100 "ہائی وولٹیج AC سرکٹ بریکر" جیسے متعلق ہے۔


فوائد:

1. سرکٹ بریکر نے اگست 96 میں وزارت مشینری اور وزارت الیکٹرک پاور کی وزارت کی تشخیص پاس کی ، جس کا مطلب ہے کہ معیار کی قطعی ضمانت ہے۔

سرکٹ بریکر میکانزم سوئچ کے ساتھ مربوط ہے ، اور اسپیشل اسپرنگ انرجی اسٹوریج ٹائپ ایکٹیویٹر میکانزم AC اور DC انرجی اسٹوریج کے ذریعہ چلایا جاسکتا ہے یا دستی طور پر چلایا جاسکتا ہے۔

سادہ ڈھانچے ، مضبوط توڑنے کی صلاحیت ، طویل خدمت کی زندگی ، مکمل آپریشن کے افعال ، کوئی دھماکے کا خطرہ اور آسان دیکھ بھال کے ساتھ ، یہ سرکٹ بریکر پاور ٹرانسمیشن اور تقسیم کے نظام جیسے پاور پلانٹ ، سٹی پاور گرڈ ، سب اسٹیشن وغیرہ کے کنٹرول یا تحفظ سوئچ کے لئے موزوں ہے۔


خصوصیات:

1. آرک بجھانے والے چیمبر کی توڑنے کی گنجائش زیادہ ہے ، موجودہ لے جانے کی گنجائش کم ہے ، اور بجلی کی زندگی لمبی ہے۔

2. ترتیب سامنے سے پیچھے ، آسان اور کمپیکٹ ڈھانچہ ، مکمل آپریشن اور آسان دیکھ بھال ہے۔

3. ساخت اور تنصیب کے ل they ، ان کو تقسیم کیا جاسکتا ہے: افقی فکسڈ قسم ، مائل فکسڈ قسم ، درمیانی سیٹ حرکت پذیر قسم۔






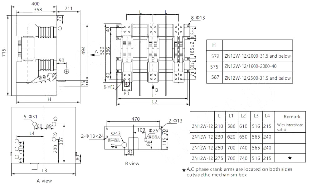
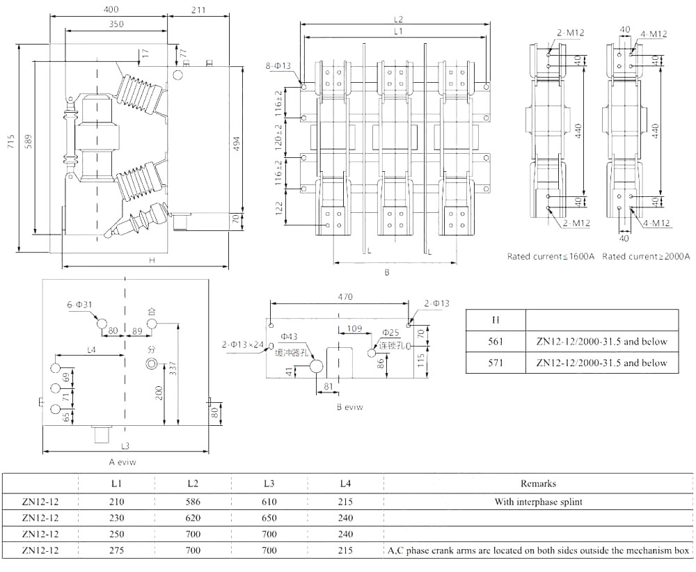
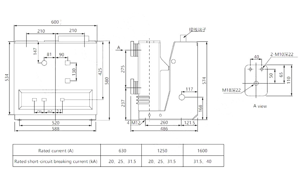
بنیادی معلومات۔



تکنیکی پیرامیٹرز



تکنیکی ڈرائنگ


ZN12-12 مربوط کالم سوئچ ویکیوم سرکٹ بریکر 1 کے استعمال کی شرائط۔ اونچائی: ≤1000 میٹر ؛ (پروٹو ٹائپ کی اونچائی 4000 میٹر سے نیچے تک پہنچ سکتی ہے)

2. محیطی درجہ حرارت: سب سے زیادہ +40 ° C ، سب سے کم -25 ° C ؛

3. نسبتا نمی: روزانہ اوسط 95 ٪ سے زیادہ نہیں ، ماہانہ اوسط 90 ٪ سے زیادہ نہیں۔

4. زلزلے کی شدت: 8 سے کم ؛

5. تنصیب کا ماحول: آگ ، دھماکے کا خطرہ ، کوئی سنکنرن گیس اور کوئی متشدد کمپن جگہ نہیں۔

6. اگر استعمال کا ماحول مذکورہ بالا سے زیادہ ہے تو براہ کرم ویکیوم سرکٹ بریکر کارخانہ دار سے رابطہ کریں۔




سوالات

س: کیا میں آپ کی مصنوعات کی قیمتیں لے سکتا ہوں؟

A: خوش آمدید۔ براہ کرم ہمیں یہاں انکوائری بھیجنے کے لئے آزاد محسوس کریں۔ ہم 24 گھنٹوں کے اندر آپ کو جواب دیں گے۔


س: کیا میں بلک آرڈر سے پہلے نمونہ حاصل کرسکتا ہوں؟

A: ہاں ، ہم معیار کی جانچ اور جانچ پڑتال کے نمونے کے آرڈر کا خیرمقدم کرتے ہیں۔ مکسڈ نمونے قابل قبول ہیں۔


س: کیا ہم مصنوعات پر اپنا لوگو/ کمپنی کا نام پرنٹ کرسکتے ہیں؟

A: ہاں ، یقینا ، ہم OEM کو قبول کرتے ہیں ، پھر آپ کو ہمیں برانڈ کی اجازت فراہم کرنے کی ضرورت ہے


س: کیا آپ مصنوع کی تخصیص کو قبول کرتے ہیں؟

A: ہاں ، یقینا ، براہ کرم مخصوص ڈرائنگ یا پیرامیٹرز فراہم کریں ، ہم تشخیص کے بعد آپ کا حوالہ دیں گے


س: لیڈ ٹائم کیا ہے؟

ج: لیڈ ٹائم کا انحصار آرڈر کی گئی مقدار پر ہوتا ہے ، عام طور پر ادائیگی وصول کرنے کے بعد 7-20 دن کے اندر۔


س: آپ کی تجارتی شرائط کیا ہیں؟

A: ہم EXW ، FOB ، CIF ، FCA ، وغیرہ کو قبول کرتے ہیں۔


س: آپ کی ادائیگی کا طریقہ کیا ہے؟  

A: ہم T/T ، ویسٹرن یونین ، پے پال ، اٹک میں اٹل L/C ، وغیرہ کو قبول کرتے ہیں۔


س: کیا آپ تیار شدہ مصنوعات کا معائنہ کرتے ہیں؟

A: ہاں ، پیداوار اور تیار شدہ مصنوعات کا ہر قدم شپنگ سے قبل کیو سی کے محکمہ کے ذریعہ معائنہ کیا جائے گا۔ اور ہم شپمنٹ سے پہلے آپ کے حوالہ کے لئے سامان کے معائنے کی رپورٹیں فراہم کریں گے


س: فروخت کے بعد معیار کے مسائل کو کیسے حل کیا جائے؟

ج: معیاری مسائل کی تصاویر لیں اور ہماری جانچ پڑتال اور تصدیق کے ل us ہمیں بھیجیں ، ہم 3 دن کے اندر آپ کے لئے ایک مطمئن حل بنائیں گے۔




فیکٹری


سرٹیفکیٹ




ہاٹ ٹیگز: ZN12-12 سیریز انٹیگریٹڈ کالم سوئچ ویکیوم سرکٹ بریکر ، چین ، مینوفیکچرر ، سپلائر ، فیکٹری ، کم قیمت ، معیار ، تازہ ترین فروخت ، جدید ترین
انکوائری بھیجیں۔
رابطہ کی معلومات
  • پتہ

    نمبر 1083 ژونگشن ایسٹ روڈ ، ینزہو ضلع ، ننگبو سٹی ، صوبہ جیانگ ، چین

  • ٹیلی فون

    +86-18958965181

کم وولٹیج سوئچ گیئر، ہائی وولٹیج انسولیٹر، ہائی وولٹیج ارتھنگ سوئچ یا قیمت کی فہرست کے بارے میں پوچھ گچھ کے لیے، براہ کرم ہمیں اپنا ای میل بھیجیں اور ہم 24 گھنٹوں کے اندر رابطے میں رہیں گے۔
X
ہم آپ کو براؤزنگ کا بہتر تجربہ پیش کرنے ، سائٹ ٹریفک کا تجزیہ کرنے اور مواد کو ذاتی نوعیت دینے کے لئے کوکیز کا استعمال کرتے ہیں۔ اس سائٹ کا استعمال کرکے ، آپ کوکیز کے ہمارے استعمال سے اتفاق کرتے ہیں۔ رازداری کی پالیسی
مسترد قبول کریں