ننگبو رچج ٹیکنالوجی کمپنی ، لمیٹڈ
ننگبو رچج ٹیکنالوجی کمپنی ، لمیٹڈ
مصنوعات
VBI-24 فکسڈ ٹائپ موصلیت سلنڈر ایم وی ویکیوم سرکٹ بریکر
  • VBI-24 فکسڈ ٹائپ موصلیت سلنڈر ایم وی ویکیوم سرکٹ بریکرVBI-24 فکسڈ ٹائپ موصلیت سلنڈر ایم وی ویکیوم سرکٹ بریکر
  • VBI-24 فکسڈ ٹائپ موصلیت سلنڈر ایم وی ویکیوم سرکٹ بریکرVBI-24 فکسڈ ٹائپ موصلیت سلنڈر ایم وی ویکیوم سرکٹ بریکر

VBI-24 فکسڈ ٹائپ موصلیت سلنڈر ایم وی ویکیوم سرکٹ بریکر

Model:VBI-24
وی بی آئی سیریز انڈور ویکیوم سرکٹ بریکر ذہین ویکیوم سرکٹ توڑنے والوں کی ایک نئی نسل ہے۔ اس کے براہ راست اجزاء ، بشمول اعلی کارکردگی والے ویکیوم رکاوٹ اور اوپری اور نچلے آؤٹ گوئنگ ٹرمینلز ، ایپوسی رال پوسٹ ٹرمینلز میں انکپلیڈ ہیں۔ اس ڈیزائن سے ویکیوم رکاوٹ کی سطح پر آلودگی کو روکنے میں مدد ملتی ہے ، جس سے اس کی موصلیت کی خصوصیات ، مکینیکل استحکام اور اس کی آپریشنل زندگی میں توسیع ہوتی ہے۔ VBII-24 سائیڈ ماونٹڈ قسم ویکیوم سرکٹ بیکر کے آپریشن میکانزم کا استعمال موسم بہار میں اسٹوریج انرجی سے کیا جاتا ہے ، جو دو طریقوں سے ، دستی یا بجلی کے ذریعہ چلایا جاسکتا ہے۔ خصوصیات GB1984-89 ، JB3855-96 کے مطابق ہیں۔<10kv Indoor High Voltage Vacuum Circuit Breaker General Technical Specifications>، IEC56 معیار کی متعلقہ دفعات۔ VBI-24 انڈور ہائی وولٹیج ویکیوم سرکٹ بریکر تین فیز AC 50Hz ہے K 24KV انڈور ڈیوائس کا درجہ بند وولٹیج ing صنعتی اور کان کنی کے کاروباری اداروں ، بجلی گھروں اور سب اسٹیشنوں کے لئے بجلی کے سامان کے کنٹرول اور تحفظ کے مقاصد کے طور پر ، اور اس جگہ کے بار بار آپریشن کے لئے۔

VBI-24 فکسڈ ٹائپ موصلیت سلنڈر ایم وی ویکیوم سرکٹ بریکر

   ایمبیڈڈ ڈنڈوں کے ساتھ انڈور ہائی وولٹیج ویکیوم سرکٹ بریکر کی VBI-24 سیریز تین فقرے A.C.50 ہرٹج انڈور پاور ڈسٹری بیوشن کا سامان ہے جس میں 24 KV.it کی درجہ بندی والی وولٹیج ہے۔ یہ صنعت اور کان کنی کے انٹرپرائز ، پاور پلانٹوں اور سب اسٹیشن کے شعبوں میں بجلی کے سامان کی حفاظت اور ان کو کنٹرول کرنے کے لئے استعمال ہوتا ہے۔

   موسم بہار کے طریقہ کار کے ساتھ اس قسم کے ویکیوم سرکٹ بریکر کا بنیادی کنڈکٹو سرکٹ سرایت شدہ قطب ہے ، جو موصلیت ، مکینیکل اور توڑنے کی کارکردگی کی وشوسنییتا کو بہت بہتر بنا سکتا ہے اور واقعی آزادانہ بحالی اور طویل مکینیکل اور بجلی کی زندگی کا احساس کرسکتا ہے۔ صلاحیت M-E2-C2 کی جماعت تک پہنچتی ہے۔

   پروڈکٹ کو کئی قسم کے سوئچ گیئر جیسے KYN28-24 (GZS1) کے لئے استعمال کیا جاتا ہے اور اسے انسٹالیشن طے کیا جاسکتا ہے۔

  VBI-24 انڈور ہائی وولٹیج ویکیوم سرکٹ بریکر تین فیز AC 50Hz ہے K 24KV انڈور ڈیوائس کا درجہ بند وولٹیج ing صنعتی اور کان کنی کے کاروباری اداروں ، بجلی گھروں اور سب اسٹیشنوں کے لئے بجلی کے سامان کے کنٹرول اور تحفظ کے مقاصد کے طور پر ، اور اس جگہ کے بار بار آپریشن کے لئے۔







بنیادی معلومات۔


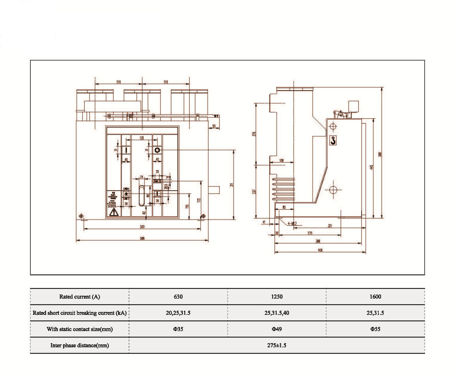
تکنیکی پیرامیٹرز




تکنیکی ڈرائنگ

سوالات

س: کیا میں آپ کی مصنوعات کی قیمتیں لے سکتا ہوں؟

A: خوش آمدید۔ براہ کرم ہمیں یہاں انکوائری بھیجنے کے لئے آزاد محسوس کریں۔ ہم 24 گھنٹوں کے اندر آپ کو جواب دیں گے۔


س: کیا میں بلک آرڈر سے پہلے نمونہ حاصل کرسکتا ہوں؟

A: ہاں ، ہم معیار کی جانچ اور جانچ پڑتال کے نمونے کے آرڈر کا خیرمقدم کرتے ہیں۔ مکسڈ نمونے قابل قبول ہیں۔


س: کیا ہم مصنوعات پر اپنا لوگو/ کمپنی کا نام پرنٹ کرسکتے ہیں؟

A: ہاں ، یقینا ، ہم OEM کو قبول کرتے ہیں ، پھر آپ کو ہمیں برانڈ کی اجازت فراہم کرنے کی ضرورت ہے


س: کیا آپ مصنوع کی تخصیص کو قبول کرتے ہیں؟

A: ہاں ، یقینا ، براہ کرم مخصوص ڈرائنگ یا پیرامیٹرز فراہم کریں ، ہم تشخیص کے بعد آپ کا حوالہ دیں گے


س: لیڈ ٹائم کیا ہے؟

ج: لیڈ ٹائم کا انحصار آرڈر کی گئی مقدار پر ہوتا ہے ، عام طور پر ادائیگی وصول کرنے کے بعد 7-20 دن کے اندر۔


س: آپ کی تجارتی شرائط کیا ہیں؟

A: ہم EXW ، FOB ، CIF ، FCA ، وغیرہ کو قبول کرتے ہیں۔


س: آپ کی ادائیگی کا طریقہ کیا ہے؟  

A: ہم T/T ، ویسٹرن یونین ، پے پال ، اٹک میں اٹل L/C ، وغیرہ کو قبول کرتے ہیں۔


س: کیا آپ تیار شدہ مصنوعات کا معائنہ کرتے ہیں؟

A: ہاں ، پیداوار اور تیار شدہ مصنوعات کا ہر قدم شپنگ سے قبل کیو سی کے محکمہ کے ذریعہ معائنہ کیا جائے گا۔ اور ہم شپمنٹ سے پہلے آپ کے حوالہ کے لئے سامان کے معائنے کی رپورٹیں فراہم کریں گے


س: فروخت کے بعد معیار کے مسائل کو کیسے حل کیا جائے؟

ج: معیاری مسائل کی تصاویر لیں اور ہماری جانچ پڑتال اور تصدیق کے ل us ہمیں بھیجیں ، ہم 3 دن کے اندر آپ کے لئے ایک مطمئن حل بنائیں گے۔




فیکٹری


سرٹیفکیٹ




ہاٹ ٹیگز: VBI-24 فکسڈ ٹائپ موصلیت سلنڈر ایم وی ویکیوم سرکٹ بریکر ، چین ، ڈویلپر ، سپلائر ، فیکٹری ، کم قیمت ، معیار ، تازہ ترین فروخت ، اعلی درجے کی
انکوائری بھیجیں۔
رابطہ کی معلومات
  • پتہ

    نمبر 1083 ژونگشن ایسٹ روڈ ، ینزہو ضلع ، ننگبو سٹی ، صوبہ جیانگ ، چین

  • ٹیلی فون

    +86-18958965181

کم وولٹیج سوئچ گیئر، ہائی وولٹیج انسولیٹر، ہائی وولٹیج ارتھنگ سوئچ یا قیمت کی فہرست کے بارے میں پوچھ گچھ کے لیے، براہ کرم ہمیں اپنا ای میل بھیجیں اور ہم 24 گھنٹوں کے اندر رابطے میں رہیں گے۔
X
We use cookies to offer you a better browsing experience, analyze site traffic and personalize content. By using this site, you agree to our use of cookies. Privacy Policy
Reject Accept